emilspec
An Integrated Publishing, Inc. Site
eMilSpec
An Integrated Publishing Website
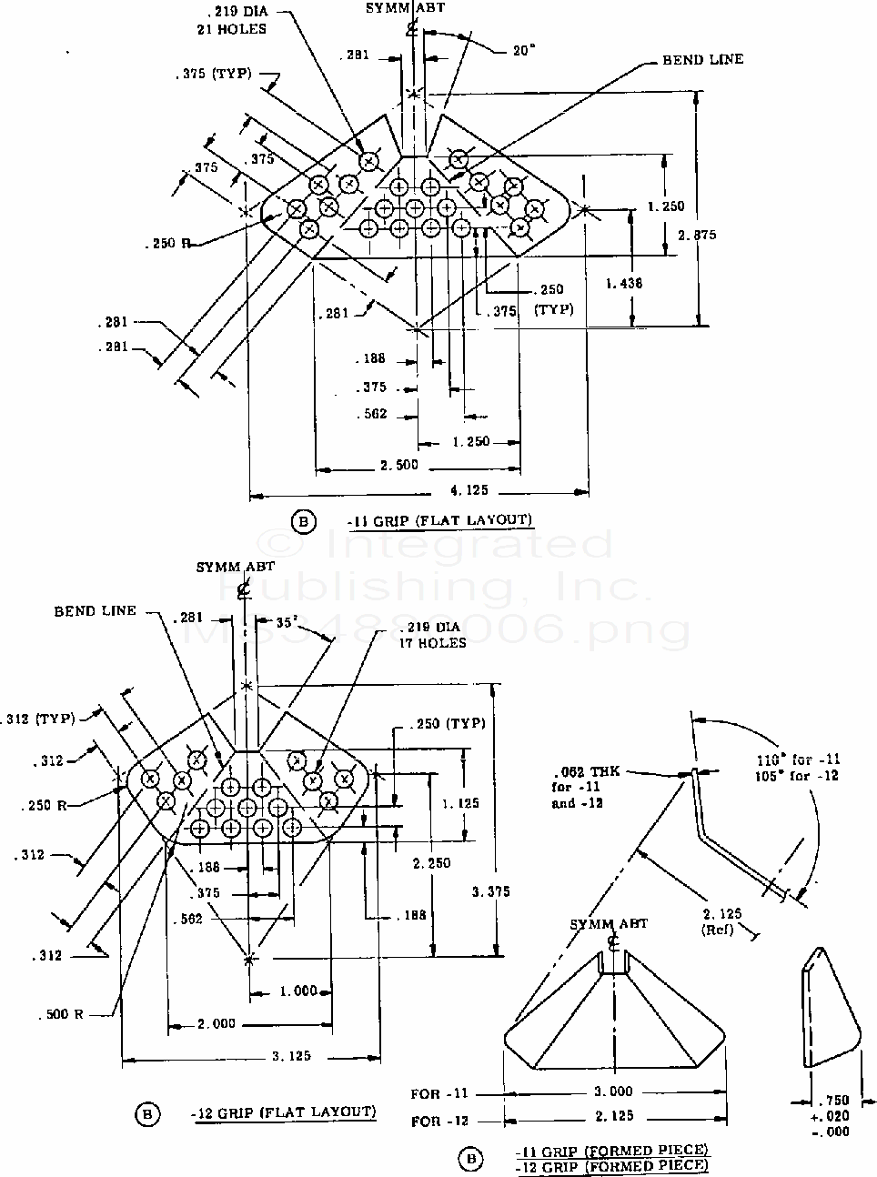
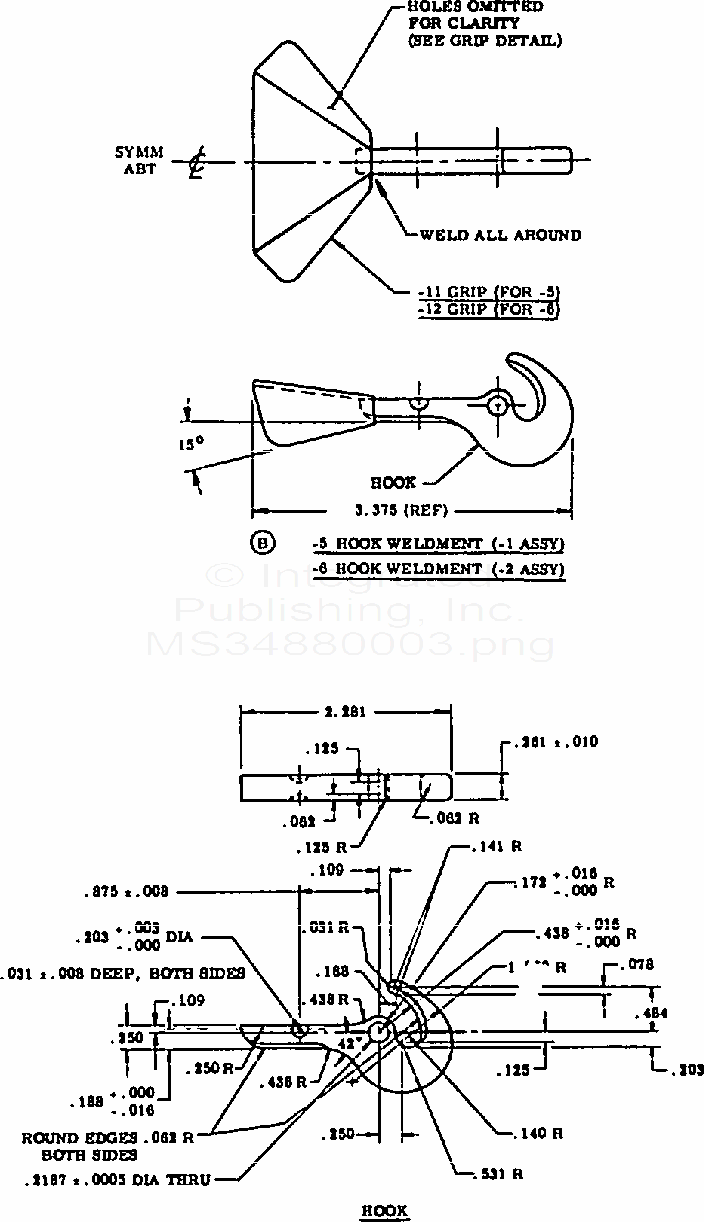
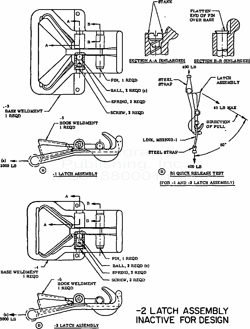
MS3488 Latch, Lap Belt, Aircraft Safety, Quick Release
For Parts Inquires call
Parts Hangar, Inc
(727) 493-0744
© Copyright 2015 Integrated Publishing, Inc.
A Service Disabled Veteran Owned Small Business